안녕하세요, 텍이 입니다!
전기 #5
오늘은 저번 시간에 이어
자기유지회로 -3-
우선회로에 대해서
알아보겠습니다.
자기유지회로의 마지막 우선회로 편입니다.
자기유지회로에 대한 다른 내용은 아래 글을 참고해주세요.
↓ ↓ ↓ ↓
자기유지 회로 -2- (응용회로)
안녕하세요, 텍이 입니다! 전기 #4 오늘은 저번 시간에 이어 자기유지회로 -2- 응용회로에 대해서 알아보겠습니다. 이전 내용에서 릴레이를 이용한 자기유지회로를 알아보았는데요. 이번엔 자기유지회로를 응용한..
tech-e.tistory.com
자기유지회로의 종류에 대해 알아보도록 하겠습니다.
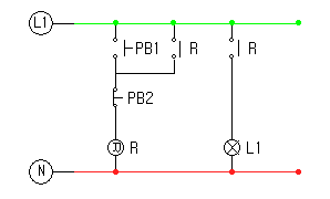
다음 두 회로의 차이점은 무엇일까요?


일단 둘 다 자기유지 회로는 맞습니다.
동작의 흐름을 볼까요?
A회로는 PB1을 누르면 릴레이가 여자 되고 자기유지되어 램프가 계속 점등됩니다.
그리고 PB2를 누르면 릴레이가 소자되어 램프가 소등됩니다.
B회로도 보겠습니다.
PB1을 누르면 릴레이가 여자되고 자기유지되어 램프가 계속 점등됩니다.
그리고 PB2를 누르면 릴레이가 소자되어 램프가 소등됩니다.
A, B 두 회로 모두 PB1으로 ON을 PB2로 OFF를 할 수 있는 회로입니다.
.
.
.
.
응?
그럼 똑같은거 아니야?라고 생각하실 거예요.
버튼을 1개만 누를 때는 같은 동작 조건의 회로가 맞습니다.
하지만 PB1, PB2 버튼을 동시에 누른다면 두 회로의 차이가 있습니다.
A회로는 PB1과 PB2를 동시에 누르면 PB2로 인해 릴레이가 여자 될 수 없습니다.
B회로는 동시에 눌러도 PB2로 인해 자기유지만 되지 않을 뿐, PB1을 누르는 동안 릴레이는 여자 됩니다.
두 회로의 차이를 아시겠나요?
버튼을 동시에 눌렀을 때 어디에 더 우선권을 주는가 하는 회로입니다.
그래서 A는 정지에 우선권이 있는 정지우선회로 (Off우선회로 - Reset)
B는 기동에 더 우선권이 있는 기동우선회로 또는 운전우선회로 (On우선회로 - Set)입니다.
예를 들어 만약 자동차 악셀과 브레이크를 동시에 밟는다면 차가 앞으로 나가야 될까요?
어디에 더 우선권을 주어야 할까요?
여러분들이 엔지니어라면 어떻게 설계하시겠습니까?
당연히 브레이크에 더 우선권을 주어야겠죠? 차가 멈춰있어야 하는 게 맞습니다.
이런 안전상의 이유로 실제 산업현장에는 Off우선회로가 더 많은 영역에 사용됩니다.
현장에서는 안전 스위치를 이용하여 Off우선회로를 설계하여 구성합니다.
안전 스위치에는 접촉식과 비접촉식이 있습니다.
접촉식은 운전자가 직접 명령을 내리는 방식으로 주로 EMS(Emergency Stop Switch)라는 비상정지 스위치가 있습니다.
빨간색으로 명시성이 높고 대부분 보통 누름스위치로 동작하고 돌리거나 당겨서 복귀하는 방식입니다.
운전자의 실수로 오동작을 방지하기 위해서 여러 형식의 보호커버와 같이 사용합니다.
또 풀코드 스위치라고 컨베이어 라인을 따라 로프로 구성하여 안전 가이드라인을 만드는 방식이 있습니다.
줄을 건드리면 스위치가 작동하여 컨베이어를 비상정지 하는 회로를 구성할 수 있습니다.

그리고 비접촉식은 라이트 커튼, 레이저 스캐너와 같이 광전자를 이용한 방법을 사용합니다.
위험 구역에 설치하여 적외선 빔에 물체가 감지되어 적외선 빔의 흐름이 끊기면 비상 정지하게 됩니다.
어느 정도 규모가 있는 공장의 생산라인에서는 작업자의 안전을 보호하기 위해 접촉식과 비접촉식을 같이 사용하여 보호장치를 적용한 경우가 많습니다.
이처럼 자기유지회로는 용도와 상황에 맞게 사용할 수 있습니다.
우선회로는 같은 자기유지 회로지만 전혀 다른 목적을 가지고 있는 두 회로이기에 어떤 용도에 사용하냐에 따라
완전히 다른 결과가 나올 수 있는 거죠.
시운전 중에 값비싼 설비를 손상시킨다거나 작업자의 안전을 위협할 수 있으니 말이죠.
자기유지에 관련된 내용은 모두 중요하기에 확실히 알고 넘어가주세요.
'전기' 카테고리의 다른 글
| 자기유지 회로 -2- (응용회로) (3) | 2020.02.26 |
|---|---|
| 자기유지 회로 -1- (시퀀스, PLC의 기본 회로) (0) | 2020.02.17 |
| 릴레이(계전기)의 구조와 작동 원리 (2) | 2020.02.13 |
| 끝나지 않은 전류전쟁, 직류(DC) vs 교류(AC) (0) | 2020.02.12 |