안녕하세요, 텍이 입니다!
전기 #2
오늘은
릴레이(Relay)에 대해서
알아보겠습니다.
다들 운동회나 체육대회에서 400m 릴레이 계주 한 번쯤은 해보신 적 있으시죠.
하계 경기종목인 육상이나 수영에서도 계주가 있고,
동계 종목의 쇼트트랙이나 스피드스케이팅에서도 계주 경기를 많이 보셨을겁니다.
계주란 이을 계, 달릴 주 해서 쉽게 말해 이어달리기입니다.
영어로는 릴레이(Relay Race)라고 하죠.
릴레이(계주)는 혼자 달리는게 아니라
여러명이서 바통을 주고 받으면서 달리는 걸 말하죠?
전기회로에도 릴레이가 있는데,
다른 이름으로 계전기라고 합니다.
릴레이는 크게 유접점과 무접점 릴레이로 나뉘는데요.
유접점 릴레이는 기계적으로 개폐시켜 On-Off를 하고,
무접점 릴레이는 기계적인 가동부 없이, 반도체 소자를 이용하며
SSR(Solid State Relay)라고 부릅니다.
오늘은 유접점 릴레이에 대해 알아보겠습니다.
그러면 이 릴레이는 언제 어떻게 사용될까요?
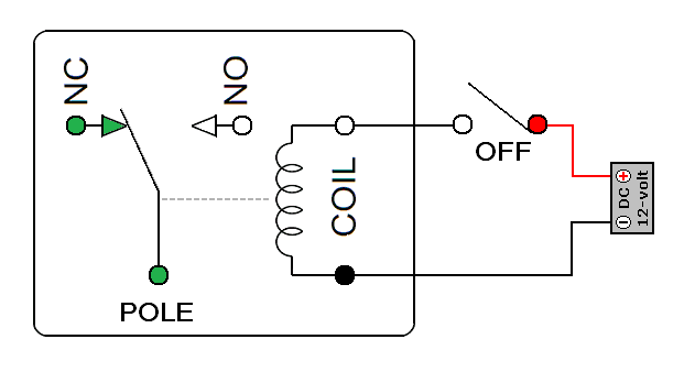
우선 릴레이의 기본 구조를 아셔야 하는데요.
릴레이의 작동원리의 가장 큰 핵심은 전자석입니다.

릴레이는 크게 코일과 접점으로 되어 있는데
원통형으로 감겨있는 코일에 전원이 투입되면
전자기력이 발생하여 코일쪽으로 철판을 끌어당깁니다.
다시 말해 전자석이 되는건데요.
금속막대가 움직임에 따라 접점이 붙었다 떨어졌다
ON - OFF하게 되는 것입니다.
이렇게 릴레이 전원이 On 될 때, 여자된다
반대로 전원이 Off 될 때, 소자된다고 표현합니다.


자주 사용하는 릴레이의 규격은 8핀, 14핀등을 많이 사용합니다.
핀은 말그대로 릴레이의 다리를 말하구요.
다리 개수에 따라 사용할 수 있는 접점의 개수의
차이가 있을 뿐 동작 원리는 같습니다.
위와 같이 릴레이와 핀 규격에 맞는 소켓을 같이 결합하여 사용하는데
쉽게 탈착이 가능하기 때문에 고장이 나더라도 쉽게 교체가 가능한 장점이 있습니다.
참고로 릴레이는 수명이 무한적이지 않습니다.
현장 환경에 따라 다르겠지만 대게 10만번 정도라고 생각하시면 됩니다.
지속적으로 On-Off를 반복하다 보면 코일이 발열되어 끊어질수 있고,
접점 부분도 마모가 되어 문제가 생길 수 있습니다.
내부에 있는 스프링의 탄성도 문제가 될 수 있구요.
또, 접점의 용량에 비해 너무 큰 전류를 통과시키면
접점부분이 녹거나 마모가 되기도 합니다.
또 밀폐처리가 된 게 아니라 가스 같은 오염지역에 노출되게 되면
접점이 산화 부식되어 접촉불량을 일으킬 수 있습니다.

위와 같은 기본적인 제어회로도가 있습니다.
PB는 푸쉬버튼(PushButton) 즉, 누름스위치입니다.
평상시 전기가 흐르지 않다가
푸쉬버튼을 누르게 되면 램프가 점등되고
버튼을 떼게 되면 램프가 소등되는거죠?

버튼을 누르는 동안만 램프가 점등되는 회로입니다.
예를 들어 램프로 했지만 부하측은 모터가 될수도 있고 부저가 될수도 있겠죠?
만약 이 회로에서 릴레이를 쓰게 된다면
이렇게 꾸밀수가 있겠습니다.
시퀀스회로에서 릴레이는 R 또는 X로 표시됩니다.

버튼을 누르면 릴레이가 여자되고 릴레이 접점이 붙어서
램프가 점등되는 동작회로입니다.

푸시버튼으로 직접 제어하는것이 아니라
릴레이를 통해서 제어를 하는 것입니다.
그래서 릴레이를 계전기라고 하는것입니다.
별거 아니어 보이지만 전기회로에서
아주 중요한 역할을 하니까 꼭 짚고 넘어가주세요.
'전기' 카테고리의 다른 글
| 자기유지 회로 -3- (우선회로) (1) | 2020.02.27 |
|---|---|
| 자기유지 회로 -2- (응용회로) (3) | 2020.02.26 |
| 자기유지 회로 -1- (시퀀스, PLC의 기본 회로) (0) | 2020.02.17 |
| 끝나지 않은 전류전쟁, 직류(DC) vs 교류(AC) (0) | 2020.02.12 |