안녕하세요, 텍이 입니다!
전기 #4
오늘은 저번 시간에 이어
자기유지회로 -2-
응용회로에 대해서
알아보겠습니다.
이전 내용에서 릴레이를 이용한 자기유지회로를 알아보았는데요.
이번엔 자기유지회로를 응용한 더 다양한 회로를 설명드릴 거예요.
기본 자기유지회로에 대한 내용은 아래 글을 참고해주세요.
↓ ↓ ↓ ↓
자기유지 회로 -1- (시퀀스, PLC의 기본 회로)
안녕하세요, 텍이 입니다! 전기 #3 오늘은 자기 유지에 대해서 알아보겠습니다. * 버튼을 눌렀다 떼어도 램프가 계속 켜져있게 할 수는 없을까? 이전 내용에서 릴레이를 이용하여 푸쉬버튼을 누르면 램프가 점등되..
tech-e.tistory.com
자기유지회로는 알게 모르게 우리 주위에 아주 많이 사용되고 있습니다.
그러면 자기유지회로는 우리 주위에 어떻게 사용되고 있을까요?
제일 먼저 쉽게 생각해볼 수 있는 게 바로 버스 하차 벨입니다.
하차벨은 버스에서 하차하기 전 운전자에게 알리기 위한 버튼이죠.
버스에 있는 하차벨은 어떻게 동작하고 우리는 어떻게 사용하나요?
먼저 하차하고자 하는 정류장에 진입하기 전에 승객이 하차 벨을 누르죠?
그러면 부저음이 나면서 버스 내에 있는 모든 하차벨에 램프가 들어옵니다.
운전기사는 벨을 확인하고 해당 정류장에 정차하여 뒷 문을 열고 승객이 하차하면 문을 닫습니다.
버스를 이용하신 분들이라면 모두 다 아시는 내용이죠?
다시 동작을 설명드리면 다음과 같습니다.
1. 버스 내 어떠한 벨을 누르던 모든 램프가 점등되면서 부저가 울림
2. 일정 시간이 지나면 부저는 멈추고 램프는 점등 상태를 유지
3. 눌렀다 떼어도 동작 수행
4. 한 번 누르고 나면 몇 번을 누르더라도 변화 없음
5. 문이 열리면 램프가 소등되고 초기 상태로 복귀
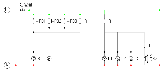
이 동작을 회로도로 표현해보겠습니다.

하차벨은 3개만 표시하였습니다.
실제로는 이것보다 많겠지만 결국 회로는 동일합니다.
입력(버튼)과 출력(램프)을 개수만큼 병렬로 추가하기만 하면 됩니다.

버튼 3개 중 아무거나 눌러도 릴레이가 여자 되고 버튼을 떼어도 자기유지되어 계속해서 동작합니다.
릴레이의 접점을 통하여 모든 램프가 점등하고 부저가 울립니다.
위의 5가지 동작을 생각하면서 아래 영상을 봐주세요!
이전 내용에서 배운 자기유지 회로에 푸시버튼과 램프를 병렬로 구성하고 부저 및 타이머가 추가된 응용회로입니다.
부저는 램프와 같이 출력장치입니다. 램프는 빛을 발산하고 부저는 소리를 내는 차이입니다.
타이머는 회로 구성상 들어갔는데 관련 내용은 따로 정리해서 설명드리겠습니다.
입력, 출력이 많아졌을 뿐 기본 자기유지 회로의 정의와 같기 때문에 크게 어려운 내용은 없으실 거예요.
그리고 b접점 스위치(문열림)는 아래와 같이 두어서 구성할 수도 있는데요.
동작은 같지만 권장하는 방법은 아닙니다.
왜냐하면 회로에 들어가는 모든 전기를 차단하기 때문에 스위치에 많은 전류가 개폐되게 됩니다.
그에 따라 스위치의 성능이 저하될 수 있습니다.
그래서 되도록이면 위와 같이 릴레이의 전원 앞에 두는 게 좋습니다.

오늘은 자기유지의 응용회로에 대하여 알아보았는데요.
다음은 용도에 따른 자기유지 우선 회로에 대하여 설명드리겠습니다.
'전기' 카테고리의 다른 글
| 자기유지 회로 -3- (우선회로) (1) | 2020.02.27 |
|---|---|
| 자기유지 회로 -1- (시퀀스, PLC의 기본 회로) (0) | 2020.02.17 |
| 릴레이(계전기)의 구조와 작동 원리 (2) | 2020.02.13 |
| 끝나지 않은 전류전쟁, 직류(DC) vs 교류(AC) (0) | 2020.02.12 |